Venta Directa de Fábrica / Servicio Personalizado Válvula de Bola Forjada de Gran Diámetro Clase Certification/DN150-DN500/High de Presión

Personalización: Disponible
Medios de comunicación: gas, petróleo, vapor
Material: Acero Inoxidable

Products Details

  • Visión General
  • Descripción del producto
  • Parámetros del producto
Visión General

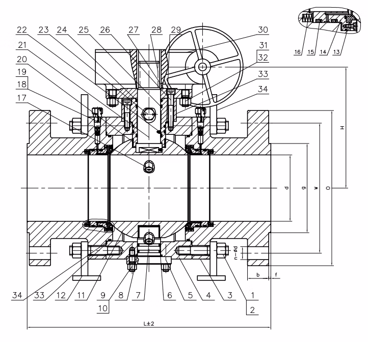
Información Básica.

Forma de conexión
Pestaña
Modo de Conducción
Engranaje de tornillo
Canal
Tipo Recto
Estructura
bola
Temperatura
Alta Temperatura
Aplicación
industria del petróleo y el gas
material de la bola
acero inoxidable forjado, acero fundido
garantía
24 meses
finalizar conexión
brida, soldada, soldadura de socket y roscada
tamaño del puerto
DN50~1000mm
material del tallo
acero inoxidable forjado, acero fundido
número de modelo
Hpfbv-01
asistencia personalizada
oem, odm, obm
material del asiento
junta blanda/junta metálica
material del cuerpo
acero inoxidable forjado, acero fundido
potencia
engranaje helicoidal
Marca Comercial
keke
Origen
Zhejiang Wenzhou
Código del HS
7304119000

Descripción de Producto

Descripción del producto

Una válvula de bola de acero forjado es un tipo de válvula robusta y fiable fabricada en acero forjado, que ofrece una alta resistencia y durabilidad. Estas válvulas se utilizan ampliamente en aplicaciones industriales donde la alta presión, la temperatura y las condiciones de funcionamiento severas son comunes.

Características principales:
Material:

La construcción de acero forjado mejora la resistencia y resistencia al desgaste, la presión y la corrosión.
Los materiales comunes incluyen ASTM A105, A350 LF2 (baja temperatura) y grados de acero inoxidable.
Opciones de diseño:

Diseño de bolas flotantes: Adecuado para aplicaciones de baja a media presión, asegurando un sellado hermético a través de la bola presionando contra el asiento.
Diseño de bolas montadas en muñón: Diseñado para aplicaciones de alta presión donde la bola está anclada para reducir la tensión en los asientos.
Valores nominales de presión:
Normalmente va de la clase 150 a la clase 2500, lo que los convierte en adecuados para sistemas de presión extrema.

Conexiones finales:

Extremos embridados
Extremos roscados (NPT o BSP)
Extremos de soldadura de zócalo o a tope
Materiales para asientos:

Opciones como PTFE, RTFE o asientos metálicos, dependiendo de la temperatura y presión de la aplicación.
Funcionamiento:

Manual (palanca o volante)
Accionado (opciones eléctricas, neumáticas o hidráulicas disponibles)
Ventajas:
Durabilidad: El acero forjado asegura excelentes propiedades mecánicas, especialmente en sistemas de alta presión.
Compacto y fuerte: El proceso de forja resulta en una estructura densa que es más fuerte y más ligera que las alternativas de fundición.
Estanqueidad: Diseñada para proporcionar un rendimiento de desconexión estrecho.
Resistencia a la corrosión y a la erosión: Adecuado para ambientes corrosivos y fluidos con partículas.
Aplicaciones comunes:
Oleoductos y gasoductos
Industrias de refinación y petroquímica
Generación de energía
Sistemas de vapor y agua a alta presión
Aplicaciones marinas y submarinas
 
Factory Direct Sale /Customized Service/Large Diameter/Class Certification/DN150-DN500/High Pressure Forged Ball Valve
Factory Direct Sale /Customized Service/Large Diameter/Class Certification/DN150-DN500/High Pressure Forged Ball Valve
 
 
 
Parámetros del producto
elemento
válvula
Aplicación
petróleo y gas, plantas de procesamiento químico, central eléctrica, filtros de vapor, etc.
Tamaño de puerto
DN50~1000mm
Garantía
24 meses
Lugar de origen
Zhejiang Wenzhou
Potencia
engranaje helicoidal
Temperatura del medio
Temperatura normal, temperatura alta, temperatura baja
Nombre de Marca
Keke
Estructura
BOLA
Medios
petróleo y gas, vapor
Asistencia personalizada
OEM, ODM, OBM
Material del cuerpo
Acero al carbono WCB, acero inoxidable CF8/CF8M  
Material de la bola
Acero inoxidable forjado, acero aleado, etc.
Material de vástago
Acero inoxidable forjado, etc.
Material del asiento
Sello de PTFE o metal con stellite, carburo de tungsteno
Finalizar conexión
Brida, soldada, soldadura de casquillo y roscada
Estándar de diseño
API 6D, API 608, API 607, ASME B16,34, ASME B16,25
Certificaciones
API 6D, API 607, API 598, ANSI/ASME B16,34, CE,JIS,DIN,BS  
MOQ
unidad 1
 
 
Factory Direct Sale /Customized Service/Large Diameter/Class Certification/DN150-DN500/High Pressure Forged Ball ValveFactory Direct Sale /Customized Service/Large Diameter/Class Certification/DN150-DN500/High Pressure Forged Ball ValveFactory Direct Sale /Customized Service/Large Diameter/Class Certification/DN150-DN500/High Pressure Forged Ball ValveFactory Direct Sale /Customized Service/Large Diameter/Class Certification/DN150-DN500/High Pressure Forged Ball ValveFactory Direct Sale /Customized Service/Large Diameter/Class Certification/DN150-DN500/High Pressure Forged Ball ValveFactory Direct Sale /Customized Service/Large Diameter/Class Certification/DN150-DN500/High Pressure Forged Ball ValveFactory Direct Sale /Customized Service/Large Diameter/Class Certification/DN150-DN500/High Pressure Forged Ball ValveFactory Direct Sale /Customized Service/Large Diameter/Class Certification/DN150-DN500/High Pressure Forged Ball ValveFactory Direct Sale /Customized Service/Large Diameter/Class Certification/DN150-DN500/High Pressure Forged Ball ValveQ1: ¿Cuánto tiempo dura la garantía del producto?
A1: Dentro de los 24 meses, le proporcionaremos servicios de reemplazo o reparación, excepto por problemas de calidad causados por factores humanos

Q2: ¿tiene algún límite de MOQ para pedidos de válvulas?
A2: No, el MOQ es 1 unidad para la inspección de muestras.

Q3: ¿hay un descuento al por mayor?
A3: Descuentos al por mayor están disponibles para pedidos de gran volumen. Por favor Contáctenos para información de descuento.

Q4: ¿soporta necesidades de válvulas personalizadas?
A4: Se puede personalizar. Confirme con nosotros los detalles de personalización.

Q5: ¿es usted una empresa comercial o un fabricante?
A5: Somos un fabricante y una fábrica.

Q6: ¿Dónde está tu fábrica?
A6: Keke Group Co., Ltd., con sede en Wenzhou, provincia de Zhejiang
 

Contáctenos

No dude en enviarnos su consulta en el siguiente formulario. Le responderemos en 24 horas.