Información Básica.
No. de Modelo.
DQ41F
Forma de conexión
Pestaña
Modo de Conducción
manual, accionado por engranajes, eléctrico, feumático
Presión nominal
CLASE ANSI 150-900
Canal
reducir puerto, puerto lleno
Estructura
Válvula de Bola Flotante
Tipo
Válvula de Bola Flotante
Función
Blow-Up válvula
Temperatura
Temperatura normal
Estándar
bs6364, mesc spe77/200, jb/t7749, api 608, api6d
Aplicación
Industria, gas natural licuado industrial
estructura de la válvula
válvula de bola flotante de sellado suave
diseño y fabricación
bs6364, mesc spe77/200, jb/t7749
cara a cara
asme b16,10 / din 3202
marcado
mss sp-25
diseño seguro contra incendios
api607, api 6fa
prueba e inspección
bs6364, mesc spe77/200, jb/t7749, api 598
medio
gas natural licuado y otras bajas temperaturas me
certificado de empresa
api6d/ce/iso9001/iso14001
prueba de la válvula
100% de la cantidad probada antes de la entrega
certificado de prueba
en1024 3,1 certificado, proporcionar rt, mt, pt, ut
especial
nace mr-0175
proveedor
fábrica directa
garantía de válvula
18 meses
Paquete de Transporte
caja de madera contrachapada
Especificación
1.200 x 1.200 x 1000
Marca Comercial
shf
Origen
Jiangsu
Código del HS
8481804090
Capacidad de Producción
5000000
Descripción de Producto

La construcción es el siguiente
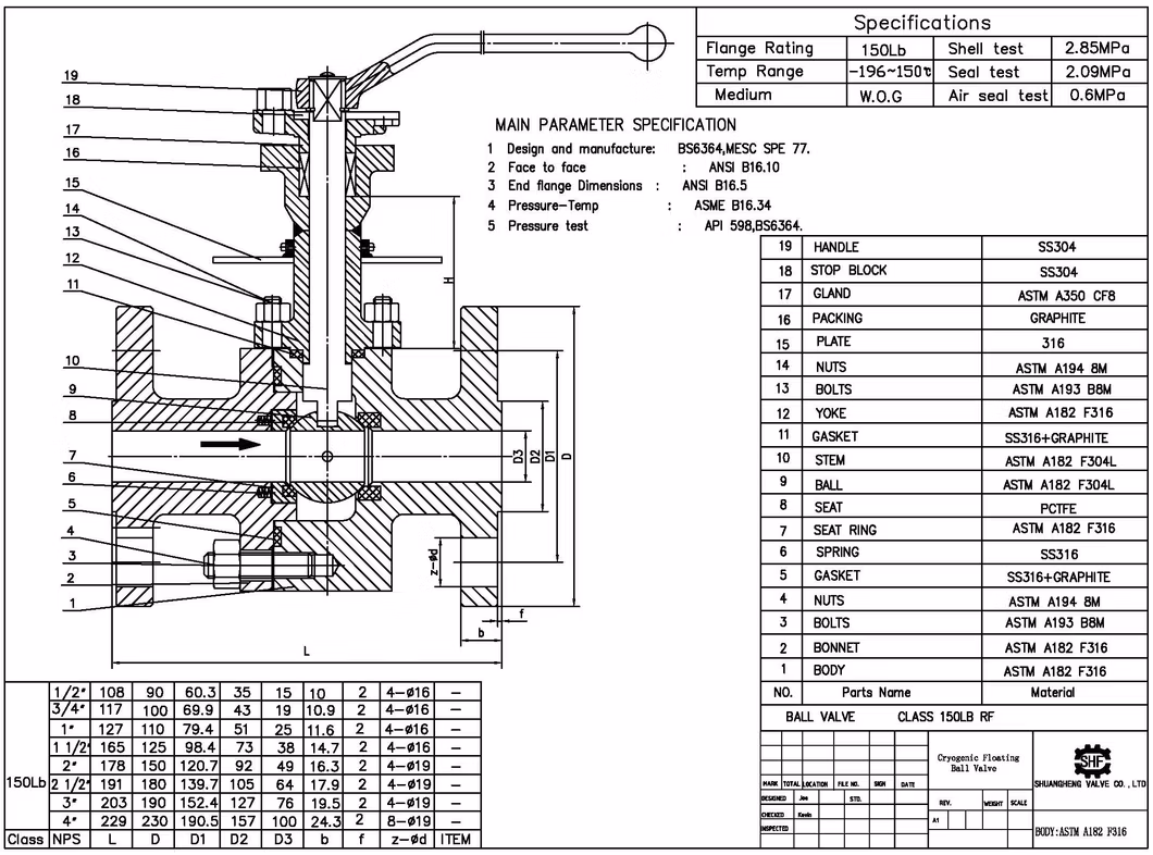
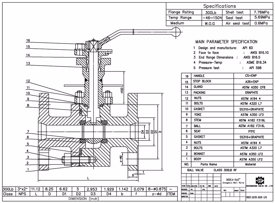
| Nombre | Válvula de bola criogénicos |
| El tamaño | DN15-DN300 |
| La presión normal | La clase 150/300/600/; PN16/PN25/PN40/PN100 |
| Estándar de diseño | BS 6364,Mesc Spe 77 / 200,JB/T7749,API 608,API 6D,ASME B16.34, MSS SP-72; BS5351, ISO17292,EN13709,GB/T 24925, |
| Marcado | MSS SP-25 |
| Diseño de caja de seguridad contra incendios | API607,API 6FA |
| Brida final | ANSI B 16.5,ASME B16.47; EN1092,DIN2543~DIN2547,como2129 |
| Cara a cara. | ANSI B 16.10,API 6D; DIN3202,EN558-1,EN12982,norma ISO 5752 |
| La brida superior | La norma ISO 5211 |
| Estándar de prueba | BS 6364,Mesc Spe 77 / 200,JB/T7749,API598,API6D;DIN3230, EN12266,norma ISO 5208 |
| Las funciones de inspección y pruebas | Prueba de gas nitrógeno en la temperatura ambiente Prueba de gas nitrógeno en la baja temperatura Prueba de emisiones de baja |
| La temperatura adecuada | -196~150°C |
| A medio | El etileno, oxígeno, hidrógeno, gas natural licuado, GPL |
| Ambiente ácido | NACE MR0175 |
| La operación | Manuales,marcha que se utilizó, eléctrico accionado Pheumatic accionado |
La estructura
| - El puerto o reducir el puerto |
| - Split cuerpo |
| - Extended envase y embalaje |
| - Atornillado el capot con espiral- la junta |
| - El material apropiado para aplicaciones criogénicas |
| - El diseño seguro contra incendios |
| - Anti-estática Diseño & reventón de la cola de la prueba |
| - Doble estructura del asiento |
| - Construcción diferente aptos para el proceso de diversificación |
| - Fiable la construcción de sellado |
| - Los extremos de la Soldadura ASME B16.25; DIN 3239,EN12627 |
| - Los extremos de brida ASME B16.5; EN1092,DIN2543~DIN2547 |
Parte principal y materiales
| Los nombres de parte | Materiales de referencia | ||||
| Cuerpo | LCB | CF8 | CF8M | F304 | F316 |
| El capot | LCB | CF8 | CF8M | F304 | F316 |
| Ball | SS304 | SS304 | SS316 | F304 | F316 |
| Tallo | F304 | F304 | F316 | F304 | F316 |
| Anillo de asiento Asiento/ | SS304 | SS304 | SS316 | SS304 | SS316 |
| El anillo de sellado | RPTFE/PTFE TEFLÓN//PEEK/Nylon/Delrin | ||||
| Envase y Embalaje | De PTFE grafito/ | ||||
| La junta | SS304+Grafito/SS316+grafito | ||||
| Los tornillos y tuercas | L7/4 | B8/8 | B8M/8M | B8/8 | B8M/8M |
| Un medio adecuado | El etileno, oxígeno, hidrógeno, gas natural licuado, GPL | ||||
| La temperatura adecuada | -46~150°C | -196~150 °C. | -196~150 °C. | -196~150 °C. | -196~150 °C. |
Dibujos

Mostrar producto

Introducción de la empresa




