- Visión General
- Descripción del producto
- Especificación
- Detalles del producto
- Parámetros del producto
- Vista de la fábrica
Información Básica.
Descripción de Producto

La válvula de diámetro reducido tiene un diámetro de diámetro más pequeño que el diámetro interno de la tubería en la que está.por ejemplo, el diámetro de diámetro de diámetro en una válvula de bola reducida (estándar) de 3/4-pulgadas es de 1/2-pulgadas en diámetro interno.
Las válvulas de bola de puerto estándar (reducido) se utilizan cuando la caída de presión, la turbulencia en el flujo y las características del material no son un problema. También tienen las ventajas de un tamaño más pequeño y un costo más bajo.
Si no hay una demanda estricta sobre el flujo, se puede seleccionar puerto estándar (reducido), ya que el precio es más económico y el peso es relativamente un poco más bajo.
- Diseño y fabricación conforme a ASME B16,34,BS5351.
- Longitud cara a cara confirme con ASME B16,10,BS2080.
- Las conexiones de brida confirman a ASME B16,5,BS1560.
- Inspección y prueba de confirmación según API 598,API 6D,BS 5146.
Material de la pieza principal.
| 1 | Cuerpo | ASTM A216 WCB | ASTM A352 LCB | ASTM A351 CF8/CF8M |
| 2 | Junta | 304+grafito | 304+grafito | 304+grafito |
| 3 | Capó | ASTM A216 WCB | ASTM A352 LCB | ASTM A351 CF8/CF8M |
| 4 | Tuerca | ASTM A194 2H/2HM | ASTM A194 4 | ASTM A194 2HM/8 |
| 5 | Perno | ASTM A193-B7/B7M | ASTM A320 L7 | ASTM A193-B7M/B8 |
| 6 | Anillo de junta | PTFE | PTFE | PTFE |
| 7 | Bola | A105+ENP | ASTM A182 F304 | ASTM A182 F304/F316 |
| 8 | Tallo | ASTM A182 F304 | ASTM A182 F304 | ASTM A182 F304/F316 |
| 9 | Junta | 304+PTFE | 304+PTFE | 304+PTFE |
| 10 | Resorte estático | SS 304 | SS 304 | SS 304/SS316 |
| 11 | Embalaje | PTFE/grafito | PTFE/grafito | PTFE/grafito |
| 12 | Prensaestopas | ASTM A216 WCB | ASTM A352 LCB | ASTM A351 CF8/CF8M |
| 13 | Perno | ASTM A193-B7/B7M | ASTM A320 L7 | ASTM A193-B7M/B8 |
| 14 | Palanca | ASTM A216 WCB | ASTM A216 WCB | ASTM A216 WCB |
| 15 | Arandela de resorte | 65 Mn | 65 Mn | 65 Mn |
| 16 | Placa de tope | ASTM A216 WCB | ASTM A216 WCB | ASTM A216 WCB |
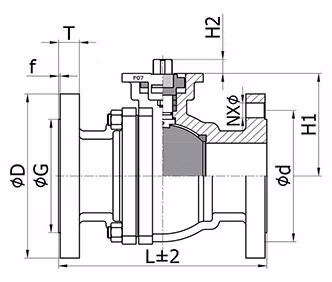
Dimensiones externas principales. 
| DN | Pulg | 3/4 | 1 | 1 1/2 | 2 | 2 1/2 | 3 | 4 | 5 | 6 | 8 | 10 |
| mm | 20 | 25 | 40 | 50 | 65 | 80 | 100 | 125 | 150 | 200 | 250 | |
| Diámetro interior | 15 | 20 | 25 | 40 | 50 | 65 | 80 | 100 | 125 | 150 | 200 | |
| L | 117 | 127 | 165 | 178 | 190 | 203 | 229 | 356 | 394 | 457 | 533 | |
| H | 84 | 88 | 95 | 120 | 130 | 160 | 185 | 210 | 220 | 295 | 335 | |
| W | 130 | 130 | 140 | 250 | 250 | 400 | 400 | 450 | 450 | 1050 | 1500 | |
Clase 300Lb.
| DN | Pulg | 3/4 | 1 | 1 1/2 | 2 | 2 1/2 | 3 | 4 | 5 | 6 | 8 |
| mm | 20 | 25 | 40 | 50 | 65 | 80 | 100 | 125 | 150 | 200 | |
| Diámetro interior | 15 | 20 | 25 | 40 | 50 | 65 | 80 | 100 | 125 | 150 | |
| L | 152 | 165 | 191 | 216 | 241 | 283 | 305 | 381 | 403 | 502 | |
| H | 84 | 88 | 95 | 120 | 140 | 160 | 180 | 208 | 220 | 335 | |
| W | 130 | 130 | 140 | 250 | 250 | 400 | 400 | 450 | 450 | 1050 | |