- Visión General
- Descripción del producto
- Especificación
- Características del producto
- Aplicación
- Detalles del producto
- Parámetros del producto
- Vista de la fábrica
Información Básica.
Descripción de Producto

Breve introducción
La válvula de bola Q41F tiene la misma acción de rotación de 90 grados, pero la diferencia es que el cuerpo del tapón es una esfera con un orificio pasante circular o canal que pasa a través de su eje. Las válvulas de bola se utilizan principalmente en tuberías para cortar, distribuir y cambiar la dirección del flujo del medio. Pueden cerrarse herméticamente con una rotación de sólo 90 grados y un par de giro pequeño.
Diseño y fabricación conforme a ASME B16,34,BS5351.
Longitud cara a cara confirme con ASME B16,10,BS2080.
Las conexiones de brida confirman a ASME B16,5,BS1560.
Inspección y prueba de confirmación según API 598,API 6D,BS 5146.
1.Puerto completo o puerto reducido.
2.Diseño seguro contra incendios.
3.vástago a prueba de soplado.
4.dispositivo antiestático.
5.Control de emisiones bajo.
6.ISO 5211 brida superior.
7.dispositivo de bloqueo opcional.
Refinería/Química/Gas Natural/abastecimiento de agua/Petroquímica/planta de energía/Farmacéutica/...
Material de piezas 
| No | Nombre de la pieza | Material ASTM | ||
| Acero al carbono | 18Cr-9Ni-2Mo | Acero al carbono | ||
| 1 | Cuerpo | A216-WCB | A351-CF8M | A352-LCB |
| 2 | Capó | A216-WCB | A351-CF8M | A352-LCB |
| 3 | Bola | A182-F304 | A182-F316 | A182-F304 |
| 4 | Tallo | A276-304 | A276-316 | A276-304 |
| 5 | Anillo de asiento | R.PTFE | ||
| 6 | Junta | Grafito+304 | PTFE | Grafito+304 |
| 7 | Espárrago | A193-B7 | A193-B8 | A320-L7 |
| 8 | Tuerca | A194-2H | A194-8 | A194-4 |
| 9 | Embalaje | PTFE | ||
| 10 | Brida del casquillo | A216-WCB | A351-CF8M | A352-LCB |
| 11 | Perno de prensaestopas | A193-B7 | A193-B8 | A193-B7 |
| 12 | Placa de tope | Acero al carbono | Acero al carbono+Zn | Acero al carbono |
| 13 | Mango | Acero al carbono | ||
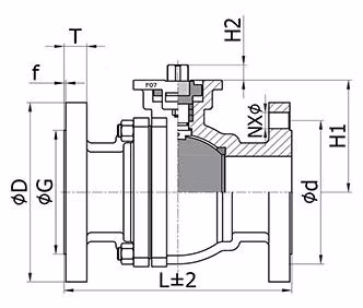
Dimensiones externas principales. 
150LB
| Tamaño | pulg | 1/2 | 3/4 | 1 | 1 1/2 | 2 | 2 1/2 | 3 | 4 | 6 | 8 | 10 | 12 |
| mm | 15 | 20 | 25 | 40 | 50 | 65 | 80 | 100 | 150 | 200 | 250 | 300 | |
| L(RF) | pulg | 4,25 | 4,62 | 5,00 | 6,50 | 7,00 | 7,50 | 8,00 | 9,00 | 15,50 | 18,00 | 21,00 | / |
| mm | 108 | 117 | 127 | 165 | 178 | 190 | 203 | 229 | 394 | 457 | 533 | / | |
| L1 (BW) | pulg | 5,50 | 6,00 | 6,50 | 7,50 | 8,50 | 9,50 | 11,12 | 12,00 | 18,00 | 20,50 | 22,00 | / |
| mm | 140 | 152 | 165 | 190 | 216 | 241 | 283 | 305 | 457 | 521 | 559 | / | |
| H | pulg | 2,12 | 2,12 | 2,75 | 3,50 | 4,12 | 6,12 | 7,25 | 8,00 | 10,00 | 11,00 | 13,50 | / |
| mm | 55 | 55 | 70 | 90 | 105 | 155 | 185 | 205 | 255 | 280 | 345 | / | |
| W | pulg | 5 | 5 | 6 | 8 | 14 | 16 | 20 | 20 | 24 | 32 | 32 | / |
| mm | 130 | 130 | 160 | 200 | 350 | 400 | 500 | 500 | 600 | 800 | 800 | / | |
| Peso (kg) | RF | 2,3 | 3 | 4,5 | 7 | 9,5 | 15 | 19 | 33 | 93 | 160 | 200 | / |
| BW | 1,8 | 2,8 | 3,7 | 6,2 | 8,5 | 14 | 21 | 35 | 98 | 170 | 225 | / |
| Tamaño | pulg | 1/2 | 3/4 | 1 | 1 1/2 | 2 | 2 1/2 | 3 | 4 | 6 | 8 | 10 | 12 |
| mm | 15 | 20 | 25 | 40 | 50 | 65 | 80 | 100 | 150 | 200 | 250 | 300 | |
| L(RF) | pulg | 5,50 | 6,00 | 6,50 | 7,50 | 8,50 | 9,50 | 11,12 | 12,00 | 15,88 | 19,75 | / | / |
| mm | 140 | 152 | 165 | 190 | 216 | 241 | 283 | 305 | 403 | 502 | / | / | |
| L1 (BW) | pulg | 5,50 | 6,00 | 6,50 | 7,50 | 8,50 | 9,50 | 11,12 | 12,00 | 18,00 | 20,50 | / | / |
| mm | 140 | 152 | 165 | 190 | 216 | 241 | 283 | 305 | 457 | 521 | / | / | |
| H | pulg | 2,12 | 2,12 | 2,75 | 3,50 | 4,12 | 6,12 | 7,25 | 8,00 | 10,00 | 11,00 | / | / |
| mm | 55 | 55 | 70 | 90 | 105 | 153 | 187 | 206 | 255 | 280 | / | / | |
| W | pulg | 5 | 5 | 6 | 8 | 14 | 16 | 20 | 20 | 24 | 32 | / | / |
| mm | 130 | 130 | 160 | 200 | 350 | 400 | 500 | 500 | 600 | 800 | / | / | |
| Peso (kg) | RF | 2,5 | 3,5 | 5,5 | 10,5 | 14,5 | 23,5 | 30 | 55 | 118 | 200 | / | / |
| BW | 1,8 | 2 | 3,2 | 5,5 | 8,7 | 15 | 18 | 36 | 85 | 152 | / | / |
600LB
| Tamaño | pulg | 1/2 | 3/4 | 1 | 1 1/2 | 2 | 2 1/2 | 3 | 4 | 6 | 8 | 10 | 12 |
| mm | 15 | 20 | 25 | 40 | 50 | 65 | 80 | 100 | 150 | 200 | 250 | 300 | |
| L/L1(RF/BW) | pulg | 6,50 | 7,50 | 8,50 | 9,50 | 11,50 | 13,00 | 14,00 | 17,00 | / | / | / | / |
| mm | 165 | 190 | 216 | 241 | 292 | 330 | 356 | 432 | / | / | / | / | |
| L2(RTJ) | pulg | / | / | / | / | 11,62 | 13,12 | 14,12 | 17,12 | / | / | / | / |
| mm | / | / | / | / | 295 | 333 | 359 | 435 | / | / | / | / | |
| H | pulg | 2,38 | 2,38 | 3,00 | 4,00 | 4,75 | 6,88 | 8,38 | 9,25 | / | / | / | / |
| mm | 61,5 | 61,5 | 78 | 101 | 120 | 174 | 212 | 234 | / | / | / | / | |
| W | pulg | 5 | 6 | 8 | 14 | 16 | 20 | 24 | 24 | / | / | / | / |
| mm | 130 | 160 | 200 | 350 | 400 | 500 | 600 | 600 | / | / | / | / | |
| Peso (kg) | RF/RTJ | 3,3 | 4,5 | 7,2 | 13,5 | 19 | 31 | 39 | 71 | / | / | / | / |
| BW | 2,6 | 3,1 | 4,8 | 8 | 13 | 22 | 27 | 53 | / | / | / | / |
| Tamaño | 1/2"~12" |
| Presión nominal | 150LB/300LB/600LB |
| Material del cuerpo | Acero al carbono, acero inoxidable u otro material |
| Material de recorte | CS+ENP,13CR,F304,F316,INCONEL,MONEL,DÚPLEX,ETC |
| Modos de conducción | Palanca,engranaje,neumático,eléctrico |